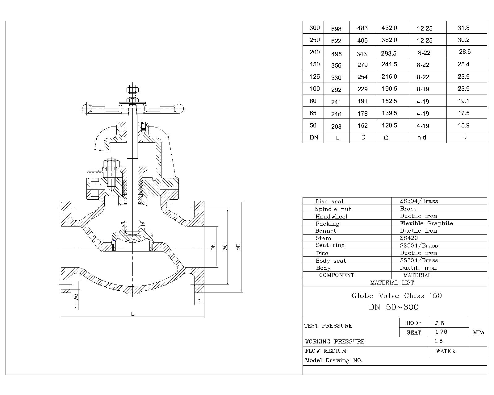
الأبعاد (مم): 2'-12'
ضغط العمل: فئة 125/150
معيار الصمام: MSS SP-85
وجهاً لوجه: سلسلة EN558-1 10 (ANSI B16.10)
نوع الشفة: ANSI B16.1/B16.5
درجة الحرارة:(-10 درجة مئوية -120 درجة مئوية)

الأبعاد (مم): 2'-12'
ضغط العمل: فئة 125/150
معيار الصمام: MSS SP-85
وجهاً لوجه: سلسلة EN558-1 10 (ANSI B16.10)
نوع الشفة: ANSI B16.1/B16.5
درجة الحرارة:(-10 درجة مئوية -120 درجة مئوية)
